安装规范要参考《电梯安装验收规范》(GB/T 10060 - 2023)进行安装验收。井道需完全封闭电梯安装验收规范
,通风口面积建议为井道截面的1%,并设置永久性电气照明,照度不小于50lx。主机和附属设备设专门机房,具备承载和防火性能,通道设永久性光源。层门设置在规定位置,关闭间隙符合标准,框架有...;观光电梯验收规范及标准主要包括以下几个方面:安装条件验收:外部环境适应性:室外观光电梯需满足特殊气象条件要求,如抵御结冰、霜冻和大风等不利影响。在结冰和霜冻频繁的地区,或经常刮大风的地方,需特别注意电梯的适应性或采取相应措施。井道条件:电梯井道需符合设计要求,确保电梯安全运行。对于室外观光...。
技术验收标准机械部分,曳引机水平度误差<2/1000,制动间隙平均值≤0.7mm;导轨轨距偏差+2/-0mm,直线度轿厢≤0.6mm/5m、对重≤1.0mm/5m。电气安全方面,急停按钮、限速器及缓冲器安装到位且功能有效,供电电源接地符合要求。家用电梯特殊注意事项需符合《家用电梯制造与安装规范》(GB/T 21739 - ...;电梯安装前需完成井道、机房等土建验收,确保符合设计标准。进行整机运行试验,包括空载、额定载荷、超载运行。安全部件试验,如限速器-安全钳联动试验、缓冲器试验等。电梯性能参数测试,如运行速度、平层精度、噪声等。电气系统绝缘检测及接地可靠性验证。取得特种设备监督检验部门出具的合格报告。移交完整技术资料,包括出厂。
施工与验收规范事前要把装修方案告知电梯制造或维保单位,监督检验后的电梯改造需制定安全方案并报备;施工时避免损坏轿厢、层门及导轨,不在井道留杂物,装修垃圾装袋运输;验收参照《电梯安装验收规范》(GB/T 10060 - 2023),检查运行平稳性、噪声(宜≤40分贝)、平层精度等指标。使用与维护管理日常...;电梯验收标准主要执行以下标准:GB/T10060-1993《电梯安装验收规范》,GB/T10058-1997《电梯技术条件》,GB/T10059-1997《电梯实验条件》,GB7588-1995《电梯制造与安装安全规范》,TSG T7001-2009《电梯监督检验和定期检验规则》,GB/T18775-2002《电梯维修规范》,GB50310-2002《电梯工程施工质量验收...。
电梯井基础验收规范及标准
最新的电梯安装验收规范中关于电梯井道与电缆敷设的部分要求如下:1. 电梯井道专用性: 电梯井道应为电梯专用:井道内不得装设与电梯无关的设备或电缆。2. 电缆敷设与控制装置安装: 电缆可以敷设在井道内:但仅限于与电梯直接相关的电缆,如BAS对电梯进行监控所需的电缆。 控制装置不能设置在井道内:...。
电梯工程施工质量验收规范》GB50310—2002 :4.2.5 井道还应符合下列规定:1 井道尺寸是指垂直于电梯设计运行方向的井道截面沿电梯设计运行方向投影所测定的井道最小净空尺寸,该尺寸应和土建布置图所要求的一致,允许偏差应符合下列规定:1)当电梯行程高度小于等于30 m时为0—+25 mm;2)当电梯行程高度大于3。

1. 2002年,GB50310标准首次发布,作为《电梯工程施工质量验收规范》,它规定电梯安装验收规范
˙▽˙ 了电梯工程施工质量验收的基本要求。2. 到2023年3月3日,电梯工程施工所遵循的规范仍然是2002年3月1日开始实施的GB50310-2002版本,这是目前最新的版本。3. 竣工验收是工程项目完工后的必要程序,涉及多个部门,包括投资主管、...。
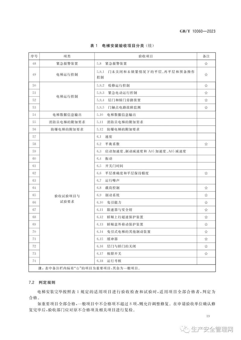
本标准适用于额定速度不大于2.5m/s的乘客电梯、载货电梯,不适用于液压电梯、杂物电梯。2、引用标准GB7588 电梯制造与安装安全规范GB8903 电梯用钢丝绳GB10058 电梯技术条件GB10059 电梯试验方法GB12974 交流电梯电动机通用技术条件GB/T10060-2011 电梯安装验收规范电梯安装规范标准3、 安装验收条件3.1验收电梯的工作条件...。
电梯工程施工验收规范主要包括设备进场核查、土建交接检验、分项工程验收及整机性能测试的四级质量控制流程,以及200余项技术参数和安全条款。一、质量控制流程 设备进场核查:确保所有电梯设备在进场前经过严格检查,符合相关标准和规定。土建交接检验:对电梯井道、机房等土建工程进行交接检验,确保满足电梯安装要求...。
电梯安装工程施工质量验收规范主要包括以下内容:基本规定:主要设备、材料、成品和半成品的进场验收:确保所有用于电梯安装的设备、材料等均符合相关标准和要求,质量可靠。电梯设备安装:电梯机房设备安装:包括机房内的曳引机、控制柜、限速器等设备的安装和调试。井道设备安装:导轨、门系统、对重装置等在...。
3、电梯新装验收的详细程序 电梯新装验收程序大致分为如下几个步骤:1)施工单位必须自行组织电梯的机电安装调试,并进行自检,确保各项技术参数符合国家标准;2)要求委托第三方权威机构对电梯进行全面的验收测试,短时间内应按《电梯新装验收规范》中的验收标准来进行验收;3)验收合格后,由本区县、市特种...。
●ω●

《电梯工程施工质量验收规范》(GB50301 - 2003)、《电梯安装验收规范》(GB/T10060 - 2011)中有电梯门槛高于地面的相关规定。具体规范要求为电梯层门地坎应高出装修后的地面2mm - 5mm。《电梯工程施工质量验收规范》(GB50301 - 2003)第5.6条指出,层门地坎水平度不得大于2/1000,地坎应高出...。
根据《特种设备安全监察条例》,锅炉、压力容器、压力管道元件、起重机械、大型游乐设施的制造过程,以及锅炉、压力容器、电梯、起重机械、客运索道、大型游乐设施的安装、改造、重大维修过程,必须由国务院特种设备安全监督管理部门核准的检验检测机构进行监督检验。电梯验收规范及标准如下:1. 验收电梯的工作条件...。
电梯工程施工验收规范
基本要求与适用范围电梯安装工程必须进行质量检验,质量需符合GB50310-2016规范要求,本规范适用于电力驱动的曳引式或强制式电梯、液压电梯、自动扶梯和自动人行道安装工程质量的验收,不适用于杂物电梯。同时,规范应与国家标准《建筑工程施工质量验收统一标准》GB50300-2001配套使用,且所规定的项目均为最低要求...。
1. 标准适用范围 本标准适用于额定速度不大于2.5m/s的乘客电梯、载货电梯,不适用于液压电梯、杂物电梯。2. 引用标准 主要引用标准包括GB7588《电梯制造与安装安全规范》、GB8903《电梯用钢丝绳》、GB10058《电梯技术条件》、GB10059《电梯试验方法》、GB12974《交流电梯电动机通用技术条件》以及GB/T1006...。
电梯门高度验收规范主要包括法律法规要求、验收过程、电梯门洞净高度标准及注意事项。法律法规要求:电梯设计、安装、改造、维护过程中,必须遵循国家相关法规和标准。根据《电梯安全监察条例》规定,电梯门的高度应符合设计要求及国家标准,并经过验收合格后方可投入使用。电梯运行中,门的开关应平稳、迅速,门...。
